|
|
| 本產品詳細參數 |
 |
H3.V平行軸齒輪箱三級傳動立式安裝 |
 |
| |
詳細介紹: |
發布時間:2006/5/23 9:59:05 |
|
| |
平行軸齒輪箱三級傳動立式安裝(H3.V)



|
規格 |
尺寸mm |
|
輸入軸 |
|
iN=25-45 |
iN=31.5-56 |
iN=50-63 |
iN=63-80 |
iN=71-90 |
iN=90-112 |
G1 |
|
d11) |
l1 |
d11) |
l1 |
d11) |
l1 |
d11) |
l1 |
d11) |
l1 |
d11) |
l1 |
|
5 |
40 |
70 |
|
|
30 |
50 |
|
|
24 |
40 |
|
|
160 |
|
6 |
|
|
40 |
70 |
|
|
30 |
50 |
|
|
24 |
40 |
160 |
|
7 |
45 |
80 |
|
|
35 |
60 |
|
|
28 |
50 |
|
|
185 |
|
8 |
|
|
45 |
80 |
|
|
35 |
60 |
|
|
28 |
50 |
185 |
|
9 |
60 |
125 |
|
|
45 |
100 |
|
|
32 |
80 |
|
|
230 |
|
10 |
|
|
60 |
125 |
|
|
45 |
100 |
|
|
32 |
80 |
230 |
|
11 |
70 |
120 |
|
|
50 |
80 |
|
|
42 |
70 |
|
|
255 |
|
12 |
|
|
70 |
120 |
|
|
50 |
80 |
|
|
42 |
70 |
255 |
|
規格 |
尺寸mm |
|
齒輪箱 |
|
a |
b1 |
c |
e4 |
e5 |
e6 |
E |
f2 |
f3 |
h |
|
5 |
690 |
240 |
30±1 |
230 |
252 |
385 |
405 |
28 |
190 |
127.5 |
|
6 |
770 |
240 |
30±1 |
230 |
252 |
425 |
440 |
28 |
190 |
127.5 |
|
7 |
845 |
240 |
36±1 |
280 |
292 |
425 |
495 |
30 |
185 |
150 |
|
8 |
950 |
240 |
36±1 |
280 |
312 |
485 |
540 |
32 |
185 |
150 |
|
9 |
1000 |
330 |
45±1.5 |
320 |
342 |
560 |
580 |
32 |
170 |
185 |
|
10 |
1100 |
330 |
45±1.5 |
320 |
342 |
610 |
630 |
32 |
170 |
185 |
|
11 |
1200 |
330 |
54±1.5 |
380 |
402 |
595 |
705 |
35 |
170 |
215 |
|
12 |
1355 |
330 |
54±1.5 |
380 |
410 |
680 |
775 |
35 |
170 |
215 |
|
規格 |
尺寸mm |
|
齒輪箱 |
|
h1 |
h2 |
h3 |
m1 |
m2 |
n1 |
n2 |
P14) |
P24) |
s |
|
5 |
205 |
190 |
240 |
630 |
360 |
30 |
175 |
35 |
270 |
24 |
|
6 |
205 |
190 |
240 |
710 |
360 |
30 |
220 |
35 |
270 |
24 |
|
7 |
205 |
165 |
250 |
775 |
430 |
35 |
215 |
35 |
330 |
28 |
|
8 |
205 |
165 |
250 |
880 |
430 |
35 |
275 |
35 |
330 |
28 |
|
9 |
275 |
205 |
330 |
920 |
490 |
40 |
260 |
40 |
370 |
36 |
|
10 |
275 |
205 |
330 |
1020 |
490 |
40 |
310 |
40 |
370 |
36 |
|
11 |
275 |
240 |
340 |
1100 |
600 |
50 |
295 |
50 |
440 |
40 |
|
12 |
275 |
240 |
340 |
1255 |
600 |
50 |
380 |
50 |
440 |
40 |
|
規格 |
尺寸mm |
潤滑油 |
重量
(kg) |
|
輸出軸 |
浸油潤滑
(1) |
強制潤滑
(1) |
|
H3SV |
H3HV |
H3DV |
|
d21) |
G2 |
l2 |
D22) |
G4 |
D3 |
D4 |
G4 |
G5 |
|
5 |
100 |
165 |
210 |
95 |
165 |
100 |
100 |
165 |
240 |
35 |
13 |
320 |
|
6 |
110 |
165 |
210 |
105 |
165 |
110 |
110 |
165 |
240 |
37 |
15 |
365 |
|
7 |
120 |
195 |
210 |
115 |
195 |
120 |
120 |
195 |
280 |
60 |
25 |
540 |
|
8 |
130 |
195 |
250 |
125 |
195 |
130 |
130 |
195 |
285 |
72 |
30 |
625 |
|
9 |
140 |
235 |
250 |
135 |
235 |
140 |
145 |
235 |
330 |
100 |
40 |
875 |
|
10 |
160 |
235 |
300 |
150 |
235 |
150 |
155 |
235 |
350 |
110 |
45 |
1020 |
|
11 |
170 |
270 |
300 |
165 |
270 |
165 |
170 |
270 |
400 |
170 |
66 |
1400 |
|
12 |
180 |
270 |
300 |
180 |
270 |
180 |
185 |
270 |
405 |
190 |
75 |
1675 |
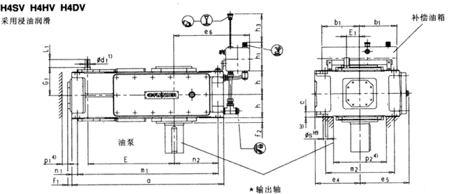
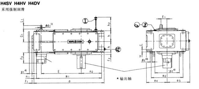
1)K6≤∮24 ∮28≥m6≤∮100 n6>∮100
有關平鍵DIN 6885/1B型和中心孔
2)鍵槽DIN 6885/1
3)扭力支撐位于工作機側
|
|
|
|