|
|
| 本產品詳細參數 |
 |
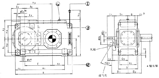
H2.H型平行軸齒輪箱兩級傳動臥式安裝 |
 |
| |
詳細介紹: |
發布時間:2006/5/21 14:11:41 |
|
| |
H2S.H型齒輪箱臥式安裝尺寸


1)K6≤∮24 ∮28≥m6≤∮100 n6>∮100
有關平鍵DIN 6885/1B型和中心孔
2)鍵槽DIN 6885/1
3)扭力支撐位于工作機側
|
規格 |
尺寸mm |
|
輸入軸 |
|
iN=5-11.2 |
iN=6.3-14 |
iN=12.5-18 |
G1 |
G3 |
|
d11) |
l1 |
l3 |
d11) |
l1 |
l3 |
d11) |
l1 |
l3 |
|
1 |
28 |
55 |
40 |
|
|
|
20 |
50 |
35 |
300 |
315 |
|
2 |
30 |
70 |
50 |
|
|
|
25 |
60 |
40 |
340 |
360 |
|
3 |
35 |
80 |
60 |
|
|
|
28 |
60 |
40 |
390 |
410 |
|
4 |
45 |
100 |
80 |
|
|
|
|
|
|
465 |
485 |
|
5 |
55 |
110 |
80 |
|
|
|
|
|
|
535 |
565 |
|
6 |
|
|
|
55 |
110 |
80 |
|
|
|
570 |
600 |
|
7 |
70 |
135 |
105 |
|
|
|
|
|
|
640 |
670 |
|
8 |
|
|
|
70 |
135 |
105 |
|
|
|
685 |
715 |
|
9 |
80 |
165 |
130 |
|
|
|
|
|
|
755 |
790 |
|
10 |
|
|
|
80 |
165 |
130 |
|
|
|
805 |
840 |
|
11 |
90 |
165 |
130 |
|
|
|
|
|
|
925 |
960 |
|
12 |
|
|
|
90 |
165 |
130 |
|
|
|
995 |
1030 |
|
規格 |
尺寸mm |
|
齒輪箱 |
|
a |
A1 |
A2 |
b |
B1 |
c |
c1 |
D5 |
d6 |
e3 |
E |
g |
|
1 |
305 |
125 |
130 |
180 |
128 |
18 |
16±1 |
12 |
110 |
90 |
90 |
74 |
|
2 |
355 |
140 |
145 |
205 |
143 |
18 |
20±1 |
14 |
110 |
110 |
110 |
82.5 |
|
3 |
405 |
170 |
170 |
225 |
163 |
22 |
24±1 |
18 |
120 |
130 |
130 |
88.5 |
|
4 |
505 |
195 |
200 |
270 |
188 |
28 |
30±1 |
24 |
150 |
160 |
160 |
105 |
|
5 |
565 |
220 |
235 |
320 |
215 |
28 |
30±1 |
24 |
160 |
185 |
185 |
130 |
|
6 |
645 |
220 |
235 |
320 |
215 |
28 |
30±1 |
24 |
160 |
185 |
220 |
130 |
|
7 |
690 |
270 |
285 |
380 |
250 |
35 |
36±1 |
28 |
210 |
225 |
225 |
154 |
|
8 |
795 |
270 |
285 |
380 |
250 |
35 |
36±1 |
28 |
210 |
225 |
270 |
154 |
|
9 |
820 |
310 |
325 |
440 |
270 |
40 |
45±1.5 |
36 |
195 |
265 |
265 |
172 |
|
10 |
920 |
310 |
325 |
440 |
270 |
40 |
45±1.5 |
36 |
195 |
265 |
315 |
172 |
|
11 |
975 |
370 |
385 |
530 |
328 |
50 |
54±1.5 |
40 |
210 |
320 |
320 |
211 |
|
12 |
1130 |
370 |
385 |
530 |
328 |
50 |
54±1.5 |
40 |
210 |
320 |
390 |
211 |
|
規格 |
尺寸mm |
|
齒輪箱 |
|
G6 |
h |
h5 |
H |
m1 |
m3 |
n1 |
n2 |
n3 |
n4 |
s |
|
1 |
325 |
130 |
80 |
275 |
185 |
155 |
60 |
70 |
160 |
105 |
12 |
|
2 |
370 |
145 |
80 |
305 |
225 |
180 |
65 |
75 |
195 |
115 |
12 |
|
3 |
420 |
175 |
90 |
360 |
245 |
195 |
80 |
70 |
235 |
132.5 |
15 |
|
4 |
495 |
200 |
80 |
415 |
295 |
235 |
105 |
85 |
285 |
150 |
19 |
|
5 |
575 |
230 |
150 |
482 |
355 |
285 |
105 |
100 |
330 |
180 |
19 |
|
6 |
610 |
230 |
150 |
482 |
435 |
285 |
105 |
145 |
365 |
180 |
19 |
|
7 |
685 |
280 |
180 |
582 |
450 |
340 |
120 |
130 |
405 |
215 |
24 |
|
8 |
730 |
280 |
190 |
582 |
555 |
340 |
120 |
190 |
450 |
215 |
24 |
|
9 |
805 |
320 |
205 |
662 |
530 |
390 |
145 |
155 |
480 |
245 |
28 |
|
10 |
855 |
320 |
215 |
662 |
630 |
390 |
145 |
205 |
530 |
245 |
28 |
|
11 |
980 |
380 |
240 |
790 |
645 |
470 |
165 |
180 |
580 |
300 |
35 |
|
12 |
1050 |
380 |
250 |
790 |
800 |
470 |
165 |
265 |
650 |
300 |
35 |
|
規格 |
尺寸mm |
潤滑油 |
重量
(kg) |
|
輸出軸 |
軸封
(1) |
迷宮式密封
(1) |
|
B2SH |
B2HH |
B2DH |
|
d21) |
G2 |
l2 |
D22) |
G4 |
D3 |
D4 |
G4 |
G5 |
|
1 |
45 |
120 |
80 |
|
- |
- |
- |
- |
|
2 |
- |
65 |
|
2 |
55 |
135 |
110 |
55 |
135 |
60 |
60 |
135 |
180 |
4 |
- |
90 |
|
3 |
65 |
145 |
140 |
65 |
145 |
70 |
70 |
145 |
200 |
6 |
- |
140 |
|
4 |
80 |
170 |
170 |
80 |
170 |
85 |
85 |
170 |
235 |
10 |
- |
235 |
|
5 |
100 |
200 |
210 |
95 |
200 |
100 |
100 |
200
|
275 |
16 |
14 |
360 |
|
6 |
110 |
200 |
210 |
105 |
200 |
110 |
110 |
200 |
275 |
19 |
15 |
410 |
|
7 |
120 |
235 |
210 |
115 |
235 |
120 |
120 |
235 |
320 |
31 |
28 |
615 |
|
8 |
130 |
235 |
250 |
125 |
235 |
130 |
130 |
235 |
325 |
34 |
29 |
700 |
|
9 |
140 |
270 |
250 |
135 |
270 |
140 |
145 |
270 |
365 |
48 |
38 |
1000 |
|
10 |
160 |
270 |
300 |
150 |
270 |
150 |
155 |
270 |
385 |
50 |
40 |
1155 |
|
11 |
170 |
320 |
300 |
165 |
320 |
165 |
170 |
320 |
450 |
80 |
65 |
1640 |
|
12 |
180 |
320 |
300 |
180 |
320 |
180 |
185 |
320 |
455 |
95 |
71 |
1910 | |
|
|
|