| YGD型三相異步電動機(H250~315mm)在線購買 |
|
| 本產品詳細參數 |
 |
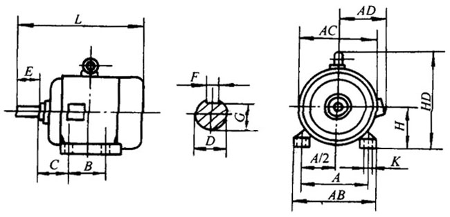
YGD型三相異步電動機(H250~315mm)外形及安裝尺寸 |
 |
| |
詳細介紹: |
發布時間:2007/8/1 10:27:14 |
|
| |
YGD型三相異步電動機(H250~315mm)外形及安裝尺寸

YGD型外形尺寸圖(見表2)
表2 (單位:mm)
|
中心高 |
極數 |
A |
B |
C |
D |
E |
F |
G |
H |
K |
AB |
AC |
AD |
HD |
L |
|
250M |
4、6 |
406 |
349 |
168 |
65 |
140 |
18 |
58 |
250 |
24 |
490 |
495 |
385 |
575 |
930 |
|
280S |
4、6 |
457 |
368 |
190 |
75 |
140 |
20 |
67.5 |
280 |
24 |
550 |
555 |
410 |
640 |
1000 |
|
280M |
4、6 |
457 |
419 |
190 |
75 |
140 |
20 |
67.5 |
280 |
24 |
550 |
555 |
410 |
640 |
1050 |
|
315S |
4、6 |
508 |
406 |
216 |
80 |
170 |
22 |
71 |
315 |
28 |
744 |
645 |
575 |
865 |
1270 |
|
315M |
4、6 |
508 |
457 |
216 |
80 |
170 |
22 |
71 |
315 |
28 |
744 |
645 |
576 |
865 |
1340 | |
|
|
|