 |
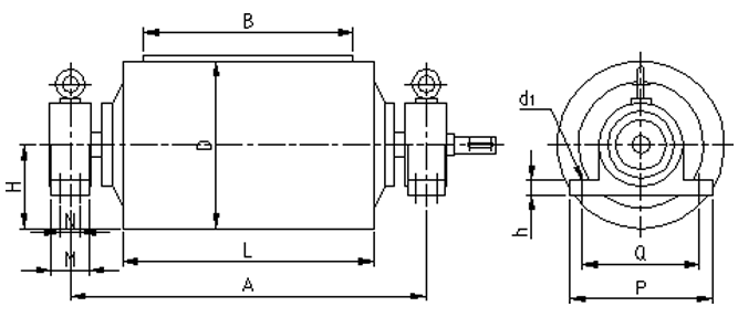
YTH型外裝減速滾筒安裝尺寸及外形參數表 |
 |
| |
詳細介紹: |
發布時間:2006/8/18 14:36:34 |
|
| |
安裝尺寸及外形參數表

|
滾筒直徑
D(mm) |
B |
A |
L |
H |
M |
N |
P |
Q |
h |
d1 |
|
Ø400 |
500 |
850 |
600 |
120 |
90 |
- |
340 |
280 |
35 |
Ø27 |
|
650 |
1000 |
750 |
120 |
90 |
- |
340 |
280 |
35 |
Ø27 |
|
Ø500 |
500 |
850 |
620 |
100 |
70 |
- |
340 |
280 |
35 |
Ø27 |
|
650 |
1000 |
750 |
120 |
90 |
- |
340 |
280 |
35 |
Ø27 |
|
800 |
1300 |
950 |
120 |
90 |
- |
340 |
280 |
35 |
Ø27 |
|
Ø630 |
650 |
1000 |
750 |
120 |
90 |
- |
340 |
280 |
35 |
Ø27 |
|
800 |
1300 |
950 |
140 |
130 |
80 |
400 |
330 |
35 |
Ø27 |
|
1000 |
1500 |
1150 |
140 |
130 |
80 |
400 |
330 |
35 |
Ø27 |
|
1200 |
1750 |
1400 |
160 |
160 |
90 |
440 |
360 |
50 |
Ø34 |
|
1400 |
2000 |
1600 |
160 |
160 |
90 |
440 |
360 |
50 |
Ø34 |
|
Ø800 |
800 |
1300 |
950 |
140 |
130 |
80 |
400 |
330 |
35 |
Ø27 |
|
1000 |
1500 |
1150 |
140 |
130 |
80 |
400 |
330 |
35 |
Ø27 |
|
1200 |
1750 |
1400 |
160 |
160 |
90 |
440 |
360 |
50 |
Ø34 |
|
1400 |
2000 |
1600 |
160 |
160 |
90 |
440 |
360 |
50 |
Ø34 |
|
1600 |
2250 |
1800 |
160 |
160 |
90 |
440 |
360 |
50 |
Ø34 |
|
Ø800
(>160KW) |
800 |
1300 |
950 |
180 |
200 |
105 |
600 |
520 |
60 |
Ø40 |
|
1000 |
1500 |
1150 |
180 |
200 |
105 |
600 |
520 |
60 |
Ø40 |
|
1200 |
1750 |
1400 |
180 |
200 |
105 |
600 |
520 |
60 |
Ø40 |
|
1400 |
2000 |
1600 |
180 |
200 |
105 |
600 |
520 |
60 |
Ø40 |
|
1600 |
2250 |
1800 |
180 |
200 |
105 |
600 |
520 |
60 |
Ø40 |
|
Ø1000 |
1000 |
1500 |
1150 |
145 |
140 |
80 |
400 |
330 |
50 |
Ø27 |
|
1200 |
1750 |
1400 |
160 |
160 |
90 |
440 |
360 |
50 |
Ø34 |
|
1400 |
2000 |
1600 |
160 |
160 |
90 |
440 |
360 |
50 |
Ø34 |
|
1600 |
2250 |
1800 |
160 |
160 |
90 |
440 |
360 |
50 |
Ø34 |
|
Ø1000
(>160KW) |
1000 |
1500 |
1150 |
200 |
180 |
105 |
600 |
520 |
60 |
Ø40 |
|
1200 |
1750 |
1400 |
200 |
180 |
105 |
600 |
520 |
60 |
Ø40 |
|
1400 |
2000 |
1600 |
200 |
180 |
105 |
600 |
520 |
60 |
Ø40 |
|
1600 |
2250 |
1800 |
200 |
180 |
105 |
600 |
520 |
60 |
Ø40 | |
|
|