| JDX邊緣傳動減速JC/T878.2-2001在線購買 |
|
| 本產品詳細參數 |
 |
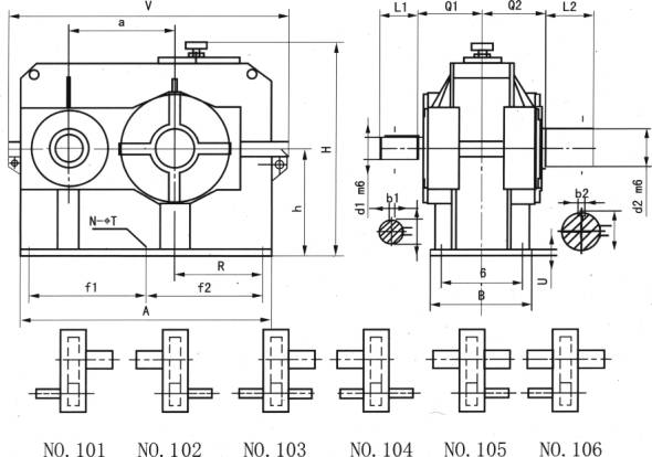
JDX28、JDX36、JDX45、減速機的裝配型式及外形尺寸圖(JC/T878.2-2001) |
 |
| |
詳細介紹: |
發布時間:2006/8/1 17:53:01 |
|
| |
JDX28-45減速機的裝配型式及外形尺寸圖

|
型號 |
主動軸 |
從動軸 |
|
U=3.15-4 |
U=4.5-5.0 |
U=5.6-6.3 |
U=7.1 |
U=3.15-7.1 |
|
d1 |
Q1 |
L1 |
d1 |
Q1 |
L1 |
d1 |
Q1 |
L1 |
d1 |
Q1 |
L1 |
d2 |
Q2 |
L2 |
|
JDX28 |
80 |
215 |
180 |
70 |
195 |
160 |
55 |
195 |
140 |
50 |
195 |
120 |
125 |
215 |
200 |
|
JDX36 |
115 |
245 |
200 |
85 |
225 |
180 |
75 |
225 |
160 |
60 |
225 |
140 |
145 |
255 |
230 |
|
JDX45 |
135 |
305 |
230 |
115 |
295 |
185 |
95 |
195 |
175 |
80 |
295 |
165 |
170 |
375 |
240 |
|
型號 |
外型及安裝尺寸 |
重量 |
|
a |
A |
B |
f1 |
f2 |
G |
h |
H |
R |
N |
T |
U |
V |
|
JDX28 |
280 |
710 |
290 |
305 |
305 |
240 |
360 |
680 |
210 |
6 |
23 |
40 |
848 |
500 |
|
JDX36 |
360 |
927 |
360 |
390 |
390 |
300 |
450 |
850 |
273 |
6 |
23 |
40 |
1047 |
900 |
|
JDX45 |
450 |
1220 |
480 |
520 |
580 |
420 |
560 |
1036 |
420 |
6 |
35 |
40 |
1300 |
1750 | |
|
|
|