 |
HJW10A、HJMW10A、HJW12A、HJMW12A、HJW14A、HJMW14A、HJW16A、HJMW16A、HJW18A、HJMW18A、HJW20A、HJMW20A、HJW25、HJMW25A、HJW28A、HJMW28A、HJW31A、HJMW31A、HJW35A、HJMW35A、HJW40A、HJMW40A、HJW45A、HJMW45A、HJW50A、HJMW50A、HJW56A、HJMW56A、HJW11A、HJMW11A、HJW13A、HJMW13A、HJW15A、HJMW15A、HJW17A、HJMW17A、HJW19A、HJMW19A、HJW21A、HJMW21A、HJW23A、HJMW23A、HJW26A、HJMW26A、HJW30A、HJMW30A、HJW33A、HJMW33A、HJW37A、HJMW37A、HJW42、HJMW42A、HJW47A、HJMW47A、HJW53A、HJMW53A型星輪減速機外形及安裝尺寸JB/T8712-1998 |
 |
| |
詳細介紹: |
發布時間:2006/4/22 14:35:18 |
|
| |
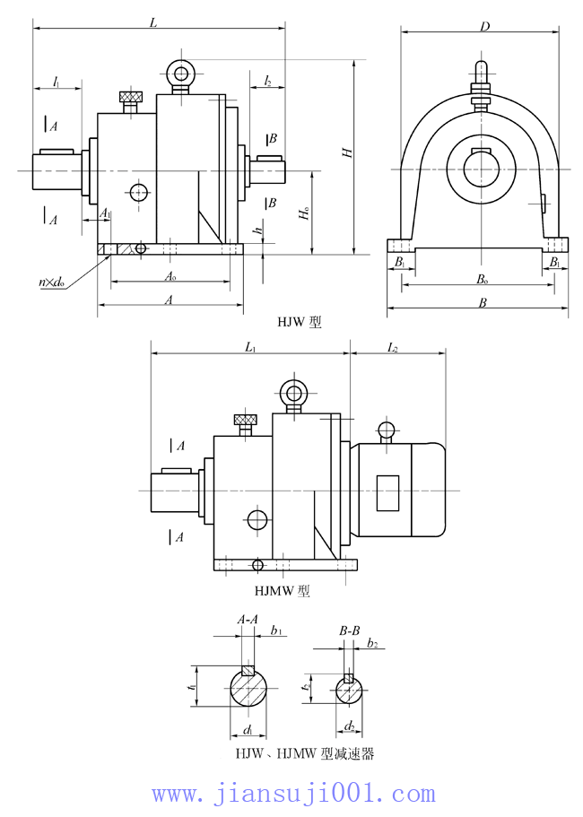
HJW、HJMW型星輪減速機外形及安裝尺寸
HJW、HJMW型減速器安裝主要尺寸 /mm
|
規格 |
外形尺寸及中心高 |
軸 伸 尺 寸 |
地 腳 尺 寸 |
質量
m/kg |
|
H0 |
H |
D |
L |
L1 |
L2 |
d1 |
ι1 |
b1 |
t1 |
d2 |
ι2 |
b2 |
t2 |
A |
A1 |
A0 |
B |
B1 |
B0 |
n |
d0 |
h |
|
10A |
100 |
240 |
200 |
295 |
269 |
260 |
28
j6 |
42 |
8 |
31 |
19
j6 |
25 |
6 |
21.5 |
180 |
45 |
150 |
240 |
45 |
200 |
4 |
11 |
18 |
24 |
|
12A |
125 |
290 |
250 |
354 |
317 |
320 |
38
k6 |
58 |
10 |
41 |
24
j6 |
36 |
8 |
27 |
236 |
50 |
190 |
300 |
50 |
250 |
4 |
14 |
20 |
44 |
|
14A |
140 |
325 |
280 |
403 |
359 |
340 |
50
k6 |
82 |
14 |
53.5 |
28
j6 |
42 |
8 |
31 |
260 |
50 |
210 |
320 |
50 |
280 |
4 |
18 |
22 |
61 |
|
16A |
160 |
365 |
320 |
470 |
405 |
340 |
60
m6 |
105 |
18 |
64 |
30
k6 |
58 |
8 |
33 |
300 |
56 |
240 |
360 |
60 |
320 |
4 |
22 |
25 |
89 |
|
規格 |
外形尺寸及中心高 |
軸 伸 尺 寸 |
地 腳 尺 寸 |
質量m/kg |
|
H0 |
H |
D |
L |
L1 |
L2 |
d1 |
ι1 |
b1 |
t1 |
d2 |
ι2 |
b2 |
t2 |
A |
A1 |
A0 |
B |
B1 |
B0 |
n |
d0 |
h |
|
18A |
180 |
420 |
360 |
528 |
464 |
435 |
70
m6 |
105 |
20 |
74.5 |
35
k6 |
58 |
10 |
38 |
335 |
60 |
270 |
420 |
65 |
360 |
4 |
22 |
25 |
126 |
|
20A |
200 |
470 |
400 |
605 |
539 |
535 |
130
m6 |
130 |
22 |
85 |
40
k6 |
82 |
12 |
43 |
375 |
65 |
300 |
450 |
65 |
400 |
4 |
22 |
30 |
160 |
|
22A |
225 |
525 |
450 |
682 |
609 |
600 |
90
m6 |
130 |
25 |
95 |
45
k6 |
82 |
14 |
48.5 |
415 |
71 |
335 |
500 |
70 |
450 |
4 |
26 |
30 |
230 |
|
25A |
250 |
590 |
500 |
757 |
679 |
665 |
100
m6 |
165 |
28 |
106 |
50
k6 |
82 |
14 |
53.5 |
475 |
95 |
375 |
560 |
85 |
500 |
4 |
26 |
35 |
356 |
|
28A |
280 |
645 |
560 |
814 |
738 |
705 |
110
m6 |
165 |
28 |
116 |
60
m6 |
105 |
18 |
64 |
530 |
100 |
420 |
630 |
90 |
560 |
4 |
26 |
40 |
504 |
|
31A |
315 |
720 |
630 |
908 |
811 |
790 |
130
m6 |
200 |
32 |
137 |
65
m6 |
105 |
18 |
69 |
600 |
120 |
475 |
700 |
105 |
630 |
6 |
26 |
45 |
687 |
|
35A |
355 |
825 |
710 |
982 |
870 |
860 |
150
m6 |
200 |
36 |
158 |
70
m6 |
105 |
20 |
74.5 |
670 |
120 |
530 |
800 |
140 |
710 |
6 |
33 |
50 |
948 |
|
40A |
400 |
915 |
800 |
1134 |
990 |
910 |
170
m6 |
280 |
40 |
179 |
80
m6 |
130 |
22 |
85 |
750 |
132 |
600 |
900 |
140 |
800 |
6 |
39 |
55 |
1241 |
|
45A |
450 |
1040 |
900 |
1228 |
1094 |
— |
200
m6 |
280 |
45 |
210 |
90
m6 |
130 |
25 |
95 |
850 |
132 |
670 |
1000 |
150 |
900 |
6 |
39 |
60 |
1662 |
|
50A |
500 |
1130 |
1000 |
1325 |
1146 |
— |
220
m6 |
280 |
50 |
231 |
100
m6 |
165 |
28 |
106 |
900 |
138 |
750 |
1120 |
170 |
1000 |
6 |
39 |
70 |
2291 |
|
56A |
560 |
1250 |
1120 |
1489 |
1310 |
— |
240
m6 |
330 |
56 |
252 |
110
m6 |
165 |
28 |
116 |
1040 |
140 |
850 |
1250 |
200 |
1120 |
6 |
39 |
75 |
2985 |
|
11A |
115 |
280 |
225 |
335 |
294 |
320 |
30
k6 |
58 |
8 |
33 |
20
j6 |
36 |
6 |
22.5 |
210 |
50 |
172 |
280 |
50 |
230 |
4 |
16 |
20 |
27.5 |
|
13A |
136 |
315 |
265 |
396 |
357 |
340 |
45
k6 |
82 |
14 |
48.5 |
28
j6 |
42 |
8 |
31 |
244 |
50 |
200 |
320 |
50 |
265 |
4 |
18 |
22 |
47 |
|
15A |
150 |
355 |
300 |
425 |
378 |
340 |
50
k6 |
82 |
14 |
53.5 |
28
j6 |
42 |
8 |
31 |
280 |
50 |
225 |
360 |
60 |
300 |
4 |
18 |
25 |
65 |
|
17A |
170 |
410 |
340 |
500 |
446 |
435 |
60
m6 |
105 |
18 |
64 |
30
k6 |
58 |
8 |
33 |
335 |
36 |
275 |
430 |
75 |
380 |
4 |
22 |
30 |
94 |
|
19A |
190 |
460 |
380 |
601 |
543 |
535 |
80
m6 |
130 |
22 |
85 |
40
k6 |
82 |
12 |
43 |
380 |
35 |
320 |
470 |
85 |
420 |
4 |
22 |
30 |
133 |
|
21A |
215 |
515 |
430 |
631 |
564 |
600, |
90
m6 |
130 |
<, D, IV align=center onselect="null">25
|
95 |
40
k6 | , , ,
82 |
12 |
43 |
380 |
36 |
320 |
470 |
85 |
420 |
4 |
22 |
30 |
172 |
|
23A |
236 |
580 |
475 |
734 |
661 |
665 |
100
m6 |
165 |
28 |
106 |
45
k6 |
82 |
14 |
48.5 |
440 |
39 |
380 |
470 |
120 |
420 |
4 |
22 |
35 |
241 |
|
26A |
265 |
630 |
530 |
777 |
731 |
705 |
110
m6 |
165 |
28 |
116 |
50
k6 |
82 |
14 |
53.5 |
475 |
45 |
395 |
580 |
110 |
480 |
4 |
26 |
40 |
377 |
|
30A |
300 |
705 |
600 |
871 |
812 |
790 |
130
m6 |
200 |
32 |
137 |
55
k6 |
82 |
16 |
59 |
600 |
80 |
500 |
690 |
120 |
630 |
4 |
30 |
45 |
540 |
|
33A |
335 |
810 |
670 |
930 |
833 |
860 |
140
m6 |
200 |
36 |
148 |
60
m6 |
105 |
18 |
64 |
580 |
63 |
480 |
720 |
128 |
630 |
4 |
39 |
50 |
730 |
|
37A |
375 |
890 |
750 |
1049 |
942 |
910 |
160
m6 |
240 |
40 |
169 |
70
m6 |
105 |
20 |
74.5 |
700 |
90 |
590 |
880 |
160 |
770 |
4 |
45 |
60 |
1000 |
|
42A |
425 |
1015 |
850 |
1100 |
956 |
910 |
180
m6 |
240 |
45 |
190 |
80
m6 |
130 |
22 |
85 |
790 |
132 |
640 |
950 |
150 |
850 |
6 |
45 |
65 |
1318 |
|
47A |
475 |
1105 |
950 |
1241 |
1097 |
910 |
220
m6 |
280 |
50 |
231 |
95
m6 |
130 |
25 |
100 |
880 |
138 |
710 |
1090 |
170 |
950 |
6 |
53 |
70 |
1754 |
|
53A |
530 |
1220 |
1060 |
1401 |
— |
— |
240
m6 |
330 |
56 |
252 |
100
m6 |
165 |
28 |
106 |
980 |
140 |
800 |
1200 |
200 |
1060 |
6 |
53 |
70 |
2428 |
|
|
|