Product list產品列表
Customer service在線客服
產品展示
工作原理
XZW型行星錐輪無級變速器,是由輸入圓盤、行星錐輪、調速環及輸出圓盤組合而成的行星差動變速機構,如圖所示。當輸入圓盤回轉時,行星錐輪自轉,并沿著調速環的內圈公轉,由自轉與公轉而形成的差動回轉依靠輸出圓盤,加壓盤傳到輸出軸上去。變速依靠軸向移動調速環來實現的。

性能特點和適用范圍
1)恒功率。
2)變速范圍寬(輸入轉數1500r/min時,輸出轉數可從0~833r/min)。
3)變速靈活。
因此應用在各種工作機械上,各種泵類、輸送機、攪拌機、離心機、干燥機、紡織機、食品加工機、粉碎機、切斷機、混煉機、擠壓機、送料機、包裝機、卷場機、建筑機械、印刷機械等。
產品型號表示方式


XZW系列(雙軸型)外形及安裝尺寸 (mm)
|
代號 |
長 |
寬 |
高 |
地腳尺寸 |
輸出軸端尺寸 |
輸入軸端尺寸 |
手輪尺寸 |
重量
/kg |
油量
/L | |||||||||||||||||||
|
型號 |
L |
A |
R |
D |
K1 |
K2 |
DF |
HH |
H |
HC |
C |
N |
F |
I |
M |
E |
G |
Z |
Q |
S |
W×U |
AQ |
AS |
AW×AU |
T |
HS×HQ | ||
|
XZW-550 |
290 |
121 |
169 |
200 |
110 |
72 |
190 |
270 |
260 |
230 |
115 |
190 |
160 |
88 |
160 |
130 |
15 |
9 |
34 |
24 |
8×4 |
30 |
15 |
5×3 |
26 |
10×15 |
25 |
0.8 |
|
XZW-750 |
346 |
145 |
201 |
210 |
123 |
86 |
190 |
274 |
270 |
234 |
120 |
230 |
170 |
115 |
170 |
140 |
17 |
13 |
48 |
24 |
8×4 |
38 |
20 |
8×4 |
27 |
10×15 |
30 |
2.0 |
|
XZW-1500 |
445 |
227 |
218 |
254 |
175 |
117 |
270 |
361 |
345 |
301 |
154 |
270 |
230 |
116 |
200 |
160 |
20 |
11 |
55 |
32 |
10×5 |
50 |
24 |
8×4 |
40.5 |
12×20 |
48 |
1.5 |
|
XZW-2200 |
482 |
236 |
246 |
300 |
185 |
127 |
310 |
411 |
398 |
351 |
180 |
310 |
260 |
131 |
260 |
210 |
22 |
15 |
55 |
32 |
10×5 |
50 |
24 |
8×4 |
40.5 |
12×20 |
79 |
2.5 |
|
XZW-3000 |
510 |
252 |
258 |
315 |
185 |
125 |
325 |
429 |
414 |
369 |
190 |
320 |
265 |
146 |
270 |
220 |
22 |
15 |
60 |
35 |
10×5 |
50 |
25 |
8×4 |
40.5 |
12×20 |
90 |
3.0 |
|
XZW-4000 |
555 |
272 |
283 |
325 |
185 |
127 |
335 |
441 |
428 |
381 |
196 |
330 |
270 |
158 |
280 |
230 |
25 |
15 |
70 |
42 |
12×5 |
50 |
28 |
8×4 |
40.5 |
12×20 |
150 |
3.5 |
|
XZW-5500 |
709 |
349 |
360 |
410 |
241 |
162 |
400 |
530 |
514 |
455 |
235 |
425 |
375 |
205 |
340 |
290 |
30 |
19 |
101 |
55 |
16×6 |
80 |
40 |
12×5 |
60 |
25×32 |
180 |
5.0 |
|
XZW-7500 |
776 |
392 |
384 |
440 |
238 |
157 |
440 |
573 |
554 |
498 |
249 |
490 |
425 |
218 |
365 |
300 |
30 |
19 |
100 |
55 |
16×6 |
80 |
48 |
14×5.5 |
60 |
25×32 |
220 |
7.5 |
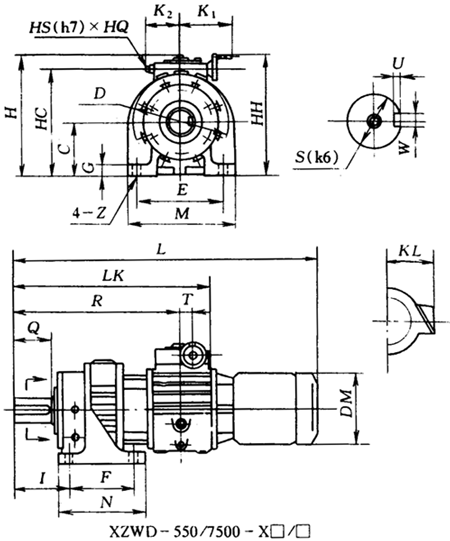
XZWD系列(電動機直聯型)外形及安裝尺寸

XZWD系列(電動機直聯型)外形及安裝尺寸 (mm)
|
代號 |
長 |
寬 |
高 |
地腳尺寸 |
輸出軸端尺寸 |
手輪尺寸 |
重量
/kg |
油量
/L | ||||||||||||||||||
|
型號 |
L |
LK |
R |
D |
K1 |
K2 |
DM |
KL |
HH |
H |
HC |
C |
N |
F |
I |
M |
E |
G |
Z |
Q |
S |
W×U |
T |
HS×HQ | ||
|
XZWD-550 |
525 |
234 |
169 |
200 |
110 |
72 |
175 |
150 |
270 |
260 |
230 |
115 |
190 |
160 |
88 |
160 |
130 |
15 |
9 |
34 |
24 |
8×4 |
26 |
10×15 |
35 |
0.8 |
|
XZWD-750 |
578 |
282 |
201 |
210 |
123 |
86 |
175 |
150 |
274 |
270 |
234 |
120 |
230 |
170 |
115 |
170 |
140 |
17 |
13 |
48 |
24 |
8×4 |
27 |
10×15 |
39 |
2.0 |
|
XZWD-1500 |
666 |
295 |
218 |
254 |
175 |
117 |
195 |
160 |
361 |
345 |
301 |
154 |
270 |
230 |
116 |
200 |
160 |
20 |
11 |
55 |
32 |
10×5 |
40.5 |
12×20 |
60 |
1.5 |
|
XZWD-2200 |
748 |
340 |
246 |
300 |
185 |
127 |
215 |
180 |
411 |
398 |
351 |
180 |
310 |
260 |
131 |
260 |
210 |
22 |
15 |
55 |
32 |
10×5 |
40.5 |
12×20 |
102 |
2.5 |
|
XZWD-3000 |
765 |
360 |
258 |
315 |
185 |
125 |
215 |
180 |
429 |
414 |
369 |
190 |
320 |
265 |
146 |
270 |
220 |
22 |
15 |
60 |
35 |
10×5 |
40.5 |
12×20 |
110 |
3.0 |
|
XZWD-4000 |
810 |
390 |
283 |
325 |
185 |
127 |
240 |
190 |
441 |
428 |
381 |
196 |
330 |
270 |
158 |
280 |
230 |
25 |
15 |
70 |
42 |
12×5 |
40.5 |
12×20 |
145 |
3.5 |
|
XZWD-5500 |
1014 |
619 |
360 |
410 |
241 |
162 |
275 |
210 |
530 |
514 |
455 |
235 |
425 |
375 |
205 |
340 |
290 |
30 |
19 |
101 |
55 |
16×6 |
60 |
25×32 |
290 |
5.0 |
|
XZWD-7500 |
1125 |
670 |
384 |
440 |
238 |
157 |
275 |
210 |
573 |
554 |
498 |
249 |
490 |
425 |
218 |
365 |
300 |
30 |
19 |
100 |
55 |
16×6 |
60 |
25×32 |
310 |
7.5 |

XZWLD系列(立式電動機直聯型)外形及安裝尺寸
|
代號 |
長 |
寬 |
輸出端聯接尺寸 |
輸出軸端尺寸 |
手輪尺寸 |
重量
/kg |
油量
/L | ||||||||||||||||
|
型號 |
L |
LK |
R |
D |
K1 |
K2 |
DM |
KL |
FC |
FB |
FA |
LR |
LE |
LG |
LZ |
Q |
S |
W×U |
T |
HS×HQ |
HL | ||
|
XZWLD-550 |
525 |
234 |
169 |
200 |
110 |
72 |
175 |
150 |
250 |
180 |
215 |
32 |
4 |
16 |
15 |
34 |
24 |
8×4 |
26 |
10×15 |
115 |
38 |
1.0 |
|
XZWLD-750 |
578 |
282 |
201 |
210 |
123 |
86 |
175 |
150 |
250 |
180 |
215 |
38 |
4 |
16 |
15 |
48 |
24 |
8×4 |
27 |
10×15 |
114 |
43 |
1.9 |
|
XZWLD-1500 |
666 |
295 |
218 |
254 |
115 |
117 |
195 |
160 |
300 |
230 |
265 |
54 |
4 |
20 |
15 |
55 |
32 |
10×5 |
40.5 |
12×20 |
147 |
66 |
2.7 |
|
XZWLD-2200 |
748 |
395 |
246 |
300 |
185 |
127 |
215 |
180 |
300 |
230 |
265 |
52 |
4 |
20 |
15 |
55 |
32 |
10×5 |
40.5 |
12×20 |
171 |
123 |
4.8 |
|
XZWLD-3000 |
765 |
340 |
258 |
315 |
185 |
125 |
215 |
180 |
300 |
230 |
265 |
63 |
4 |
20 |
19 |
60 |
35 |
10×5 |
40.5 |
12×20 |
179 |
132 |
5.4 |
|
XZWLD-4000 |
810 |
390 |
283 |
325 |
185 |
127 |
240 |
190 |
350 |
250 |
300 |
68 |
5 |
20 |
19 |
70 |
42 |
12×5 |
40.5 |
12×20 |
185 |
170 |
5.5 |
|
XZWLD-5500 |
1014 |
619 |
360 |
410 |
241 |
162 |
275 |
210 |
400 |
300 |
350 |
94 |
8 |
25 |
19 |
101 |
55 |
16×6 |
60 |
25×32 |
220 |
290 |
8.0 |
|
XZWLD-7500 |
1125 |
670 |
384 |
440 |
238 |
157 |
275 |
210 |
400 |
300 |
350 |
90 |
8 |
25 |
19 |
100 |
55 |
16×6 |
60 |
25×32 |
249 |
311 |
8.8 |

XZWD-X□/□系列外形及安裝尺寸
|
規格型號 |
減速比 |
相配減速
機型號 |
長 |
寬 |
高 | |||||||||
|
L |
LK |
R |
D |
K1 |
K2 |
DM |
KL |
HH |
H |
HC |
C | |||
|
XZWD-550-X |
11,17 |
×3 |
693 |
402 |
337 |
200 |
110 |
72 |
175 |
150 |
295 |
285 |
255 |
140 |
|
23,29,35,43,
59,71 |
×4 |
747 |
456 |
391 |
230 |
110 |
72 |
175 |
150 |
305 |
295 |
265 |
150 | |
|
XZWD-750-X |
11,17,23,29 |
×4 |
777 |
481 |
400 |
230 |
123 |
86 |
175 |
150 |
304 |
300 |
264 |
150 |
|
35,43,59,71 |
|
|
|
|
|
|
|
|
|
|
|
|
| |
|
XZWD-1500-X |
11,17,23 |
×5 |
927 |
556 |
479 |
300 |
175 |
117 |
195 |
160 |
367 |
351 |
307 |
160 |
|
29,35,43,59,
71,87 |
×6 |
976 |
605 |
528 |
340 |
175 |
117 |
195 |
160 |
425 |
391 |
347 |
200 | |
|
XZWD-2200-X |
11,17 |
×5 |
1005 |
598 |
503 |
300 |
185 |
127 |
215 |
180 |
391 |
378 |
331 |
160 |
|
23,29 |
×6 |
1061 |
654 |
559 |
340 |
185 |
127 |
215 |
180 |
431 |
418 |
371 |
200 | |
|
35,43,59,71,
87 |
×7 |
1098 |
691 |
596 |
360 |
185 |
127 |
215 |
180 |
460 |
438 |
391 |
220 | |
|
XZWD-3000-X |
11,17,23 |
×6 |
1072 |
667 |
565 |
340 |
185 |
125 |
215 |
180 |
439 |
424 |
379 |
200 |
|
29,35,43,59,
71,87 |
×7 |
1110 |
705 |
603 |
360 |
185 |
125 |
215 |
180 |
460 |
444 |
399 |
220 | |
|
XZWD-4000-X |
11,17 |
×6 |
1107 |
687 |
580 |
340 |
185 |
127 |
240 |
190 |
445 |
432 |
385 |
200 |
|
23 |
×7 |
1142 |
722 |
615 |
360 |
185 |
127 |
240 |
190 |
465 |
452 |
405 |
220 | |
|
29,35,43,59,
71,87 |
×8 |
1197 |
777 |
670 |
430 |
185 |
127 |
240 |
190 |
529 |
482 |
435 |
250 | |
|
XZWD-5500-X |
11 |
×6 |
1278 |
883 |
624 |
340 |
241 |
162 |
275 |
210 |
495 |
479 |
420 |
200 |
|
17 |
×7 |
1321 |
926 |
667 |
360 |
241 |
162 |
275 |
210 |
515 |
499 |
440 |
220 | |
|
23,29,35,43,59,
71,87 |
×8 |
1374 |
979 |
720 |
430 |
241 |
162 |
275 |
210 |
545 |
529 |
470 |
250 | |
|
XZWD-7500-X |
11,17,23,29,
35,43,59,71,87 |
×8 |
1483 |
1048 |
742 |
430 |
238 |
157 |
275 |
210 |
574 |
555 |
499 |
250 |
|
規格型號 |
減速比 |
地腳尺寸 |
輸出軸端尺寸 |
手輪尺寸 |
重量
/kg |
油量/L | ||||||||||
|
N |
F |
I |
M |
E |
G |
Z |
Q |
S |
W×U |
T |
HS×HQ |
變速部 |
減速部 | |||
|
XZWD-550-X |
11,17 |
150 |
100 |
151 |
290 |
250 |
20 |
15 |
55 |
35 |
10×5 |
26 |
10×15 |
69 |
0.8 |
|
|
23,29,35,43,
59,71 |
195 |
145 |
169 |
330 |
290 |
22 |
15 |
69 |
45 |
14×5.5 |
26 |
10×15 |
80 |
0.8 |
| |
|
XZWD-750-X |
11,17,23,29 |
195 |
145 |
169 |
330 |
290 |
22 |
15 |
69 |
45 |
14×5.5 |
27 |
10×15 |
84 |
2.0 |
|
|
35,43,59,71 |
|
|
|
|
|
|
|
|
|
|
40.5 |
|
|
|
| |
|
XZWD-1500-X |
11,17,23 |
260 |
150 |
206 |
410 |
370 |
25 |
15 |
86 |
55 |
16×6 |
40.5 |
12×20 |
143 |
1.5 |
|
|
29,35,43,59,
71,87 |
335 |
275 |
125 |
430 |
380 |
30 |
22 |
89 |
65 |
18×7 |
40.5 |
12×20 |
183 |
1.5 |
| |
|
XZWD-2200-X |
11,17 |
260 |
150 |
205 |
410 |
370 |
25 |
15 |
86 |
55 |
16×6 |
40.5 |
12×20 |
185 |
2.5 |
|
|
23,29 |
335 |
275 |
125 |
430 |
380 |
30 |
22 |
89 |
65 |
18×7 |
40.5 |
12×20 |
225 |
2.5 |
| |
|
35,43,59,71,
87 |
380 |
320 |
145 |
470 |
420 |
30 |
22 |
110 |
80 |
22×9 |
40.5 |
12×20 |
272 |
2.5 |
| |
|
XZWD-3000-X |
11,17,23 |
335 |
275 |
125 |
430 |
380 |
30 |
22 |
89 |
65 |
18×7 |
40.5 |
12×20 |
233 |
3.0 |
|
|
29,35,43,59,
71,87 |
380 |
320 |
145 |
470 |
420 |
30 |
22 |
110 |
80 |
22×9 |
40.5 |
12×20 |
280 |
3.0 |
| |
|
XZWD-4000-X |
11,17 |
335 |
275 |
125 |
430 |
380 |
30 |
22 |
89 |
65 |
18×7 |
40.5 |
12×20 |
268 |
3.5 |
|
|
23 |
380 |
320 |
145 |
470 |
420 |
30 |
22 |
110 |
80 |
22×9 |
40.5 |
12×20 |
315 |
3.5 |
| |
|
29,35,43,59,
71,87 |
440 |
380 |
155 |
530 |
480 |
35 |
22 |
120 |
90 |
25×9 |
|
12×20 |
395 |
3.5 |
| |
|
XZWD-5500-X |
11 |
335 |
275 |
125 |
430 |
380 |
30 |
22 |
89 |
65 |
18×7 |
60 |
25×32 |
413 |
5.0 |
|
|
17 |
380 |
320 |
145 |
470 |
420 |
30 |
22 |
110 |
80 |
22×9 |
60 |
25×32 |
460 |
5.0 |
| |
|
23,29,35,43,59,
71,87 |
440 |
380 |
155 |
530 |
480 |
35&, lt;, /DIV> |
22 |
90 |
25×9 |
60 |
25×32 |
540 |
5.0 |
| ||
|
XZWD-7500-X |
11,17,23,29,
35,43,59,71,87 |
440 |
380 |
155 |
530 |
480 |
35 |
22 |
120 |
90 |
25×9 |
60 |
25×32 |
560 |
7.5 |
|
XZWLD-□- XL□/□系列(立式基本型與擺線針輪減速機組合型)外形尺寸
XLWLD-□-XL□/□系列外形及安裝尺寸
|
規格
型號 |
減速比 |
相配減速
機型號 |
長 |
寬 |
輸出端聯接尺寸 | |||||||||||
|
L |
LK |
R |
K1 |
K2 |
DM |
KL |
FC |
FB |
FA |
LR |
LE |
LG |
n-Z | |||
|
XZWLD-550-XL |
11,17 |
×3 |
694 |
403 |
338 |
110 |
72 |
175 |
150 |
230 |
170 |
200 |
50 |
4 |
15 |
6-11 |
|
23,29,35,43 |
×4 |
744 |
453 |
388 |
110 |
72 |
175 |
150 |
260 |
200 |
230 |
78 |
4 |
15 |
6-11 | |
|
59,71 |
|
|
|
|
|
|
|
|
|
|
|
|
|
|
| |
|
XZWLD-750-XL |
11,17,23,29 |
×4 |
777 |
481 |
397 |
123 |
86 |
175 |
150 |
260 |
200 |
230 |
78 |
4 |
15 |
6-11 |
|
35,43,59,71 |
|
|
|
|
|
|
|
|
|
|
|
|
|
|
| |
|
XZWLD-1500-XL |
11,17,23 |
×5 |
927 |
556 |
479 |
175 |
117 |
195 |
160 |
340 |
270 |
310 |
91 |
4 |
20 |
6-15 |
|
29,35,54,59,71,87 |
×6 |
978 |
607 |
530 |
175 |
117 |
195 |
160 |
400 |
316 |
360 |
92 |
5 |
22 |
8-15 | |
|
XZWLD-2200-XL |
11,17 |
×5 |
1005 |
598 |
503 |
185 |
127 |
215 |
180 |
340 |
270 |
310 |
91 |
4 |
20 |
6-15 |
|
23,29 |
×6 |
1063 |
656 |
561 |
185 |
127 |
215 |
180 |
400 |
316 |
360 |
92 |
5 |
22 |
8-15 | |
|
35,43,59,71,87 |
×7 |
1098 |
691 |
596 |
185 |
127 |
215 |
180 |
430 |
345 |
390 |
111 |
5 |
22 |
8-18 | |
|
XZWLD-3000-XL |
11,17,23 |
×6 |
1074 |
669 |
566 |
185 |
125 |
215 |
180 |
400 |
316 |
360 |
92 |
5 |
22 |
8-15 |
|
29,35,43,59,71,87 |
×7 |
1110 |
705 |
603 |
185 |
125 |
215 |
180 |
430 |
345 |
390 |
111 |
5 |
22 |
8-18 | |
|
XZWLD-4000-XL |
11,17 |
×6 |
1109 |
689 |
582 |
185 |
127 |
240 |
190 |
400 |
316 |
360 |
92 |
5 |
22 |
8-15 |
|
23 |
×7 |
1142 |
722 |
615 |
185 |
127 |
240 |
190 |
430 |
345 |
390 |
111 |
5 |
22 |
8-18 | |
|
29,35,43,59,71,87 |
×8 |
1208 |
788 |
680 |
185 |
127 |
240 |
190 |
490 |
400 |
450 |
121.5 |
6 |
30 |
12-18 | |
|
XZWLD-5500-XL |
11 |
×6 |
1280 |
885 |
626 |
241 |
162 |
275 |
210 |
400 |
316 |
360 |
42 |
5 |
22 |
8-15 |
|
17 |
×7 |
1321 |
926 |
667 |
241 |
162 |
275 |
210 |
430 |
345 |
390 |
111 |
5 |
22 |
8-18 | |
|
23,29,35,43,59,71,87 |
×8 |
1385 |
990 |
731 |
241 |
162 |
275 |
210 |
490 |
400 |
450 |
121.5 |
6 |
30 |
12-18 | |
|
XZWLD-7500-XL |
11,17,23,29,35,43,
59,71,87 |
×8 |
1494 |
1059 |
753 |
238 |
157 |
275 |
210 |
490 |
400 |
450 |
121.5 |
6 |
30 |
12-18 |
|
規格
型號 |
減速比 |
相配減速
機型號 |
手輪尺寸 |
輸出軸端尺寸 |
重量/kg |
油量/L | |||||
|
T |
HS×HQ |
HL |
Q |
S |
W×U |
變速部 |
減速部 | ||||
|
XZWLD-550-XL |
11,17 |
×3 |
26 |
10×15 |
115 |
43 |
35 |
10×5 |
69 |
|
|
|
23,29,35,43 |
×4 |
26 |
10×15 |
115 |
58 |
45 |
14×5.5 |
80 |
1,0 |
| |
|
59,71 |
|
|
|
|
|
|
|
|
|
| |
|
XZWLD-750-XL |
11,17,23,29 |
×4 |
27 |
10×15 |
114 |
58 |
45 |
14×5.5 |
84 |
|
|
|
35,43,59,71 |
|
|
|
|
|
|
|
|
1,9 |
| |
|
XZWLD-1500-XL |
11,17,23 |
×5 |
40.5 |
12×20 |
147 |
74 |
55 |
16×6 |
145 |
|
|
|
29,35,54,59,71,87 |
×6 |
40.5 |
12×20 |
147 |
80 |
65 |
18×7 |
183 |
2,7 |
| |
|
XZWLD-2200-XL |
11,17 |
×5 |
40.5 |
12×20 |
171 |
74 |
55 |
16×6 |
185 |
|
|
|
23,29 |
×6 |
40.5 |
12×20 |
171 |
80 |
65 |
18×7 |
225 |
4,8 |
| |
|
35,43,59,71,87 |
×7 |
40.5 |
12×20 |
171 |
100 |
80 |
22×9 |
272 |
|
| |
|
XZWLD-3000-XL |
11,17,23 |
×6 |
40.5 |
12×20 |
179 |
89 |
65 |
18×7 |
233 |
5,4 |
|
|
29,35,43,59,71,87 |
×7 |
40.5 |
12×20 |
179 |
100 |
80 |
22×9 |
280 |
|
| |
|
XZWLD-4000-XL |
11,17 |
×6 |
40.5 |
12×20 |
185 |
89 |
65 |
18×7 |
268 |
|
|
|
23 |
×7 |
40.5 |
12×20 |
185 |
100 |
80 |
22×9 |
315 |
5,5 |
| |
|
29,35,43,59,71,87 |
×8 |
40.5 |
12×20 |
185 |
110 |
90 |
25×7 |
395 |
|
| |
|
XZWLD-5500-XL |
11 |
×6 |
60 |
25×32 |
220 |
89 |
65 |
18×7 |
413 |
|
|
|
17 |
×7 |
60 |
25×32 |
220 |
100 |
80 |
22×9 |
460 |
8,0 |
| |
|
23,29,35,43,59,71,87 |
×8 |
60 |
25×32 |
220 |
110 |
90 |
25×9 |
540 |
|
| |
|
XZWLD-7500-XL |
11,17,23,29,35,43,
59,71,87 |
×8 |
60 |
25×32 |
249 |
110 |
90 |
25×9 |
560 |
8,8 |
|
XZW-X行星錐輪無級變速器及擺線針輪減速器配置技術參數
|
輸入轉速1500r/min
輸出端變速范圍
/(r/min) |
減速
器傳
動比 |
XZW-550 |
XZW-750 |
XZW-1500 |
XZW-2200 | ||||
|
功率0.5kw |
功率0.75kw |
功率1.5kw |
功率2.2kw | ||||||
|
轉矩
/(N·m) |
相配減
速器 |
轉矩
/(N·m) |
相配減
速器 |
轉矩
/(N·m) |
相配減
速器 |
轉矩
/(N·m) |
相配減
速器 | ||
|
0~75.7 |
11 |
164~39 |
×3 |
224~49 |
×4
×4
|
149~98 |
×5 |
647~147 |
×5
×6 |
|
0~49 |
17 |
245~59 |
343~78 |
686~157 |
980~235 | ||||
|
0~36.2 |
23 |
343~78 |
×1 |
461~108 |
921~216 |
|
1352~323 | ||
|
0~28.7 |
29 |
431~98 |
490~137 |
1156~274 |
×6
|
1705~402 | |||
|
0~23.8 |
35 |
490~118 |
490~167 |
1401~333 |
2058×490 |
×7
| |||
|
0~19.3 |
43 |
490~147 |
490~206 |
1725~412 |
2528~608 | ||||
|
0~14 |
59 |
490~206 |
490~284 |
1960~568 |
2646~833 | ||||
|
0~11.7 |
71 |
490~255 |
490~343 |
1960~686 |
2646~1000 | ||||
|
0~9.57 |
87 |
490~304 |
980~412 |
1960~833 |
2646~1225 | ||||
|
輸入轉速1500r/min
輸出端變速范圍
/(r/min) |
減速
器傳
動比 |
XZW-3000 |
XZW-4000 |
XZW-5500 |
XZW-7500 | ||||
|
功率3.0kw |
功率4.0kw |
功率5.5kw |
功率7.5kw | ||||||
|
轉矩
/(N·m) |
相配減
速器 |
轉矩
/(N·m) |
相配減
速器 |
轉矩
/(N·m) |
相配減
速器 |
轉矩
/(N·m) |
相配減
速器 | ||
|
0~75.7 |
11 |
882~206 |
×6 |
1176~274 |
×6
|
1617~392 |
×6 |
2205~529 |
×8
|
|
0~49 |
17 |
1372~323 |
1813~431 |
2499~598 |
×7 |
3400~813 | |||
|
0~36.2 |
23 |
1842~441 |
2450~588 |
×7 |
3332~803 |
×8
|
4410~1097 | ||
|
0~28.7 |
29 |
2323~549 |
×7
|
3097~735 |
×8
|
4253~1019 |
4410~1392 | ||
|
0~23.8 |
35 |
2646~666 |
3724~892 |
4410~1225 |
4410~1675 | ||||
|
0~19.3 |
43 |
2646~832 |
4410~1098 |
4410~1519 |
4410~2068 | ||||
|
0~14 |
59 |
2646~1137 |
4410~1519 |
4410~2087 |
4410~2852 | ||||
|
0~11.7 |
71 |
2646~1370 |
4410~1823 |
4410~2499 |
4410~2499 | ||||
|
0~9.57 |
87 |
2646~1670 |
4410~2225 |
4410~3058 |
4410~3058 | ||||
注:1.相配減速器為X系列行星擺線針輪減速器;
2.最大轉矩為X系列行星擺線針輪減速器允許輸出最大轉矩;
3.如果轉矩符合要求應盡可能往接近最高使用轉速一擋選擇。
如:需要輸出轉速最高為30r/min應選擇0~36.2r/min,而不選擇0~49r/min或0~75.7r/min。
| 頁次:1/1 每頁10條 共10條信息 分頁:[1] |
