

會員


|
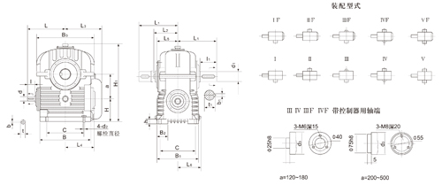
型號
尺寸 |
A |
L |
L1 |
L2 |
L3 |
L4 |
H |
H1 |
B |
B1 |
C |
C1 |
d |
d1
(gc1) |
d2
(gc1) |
b |
b1 |
t |
t1 |
l1 |
l2 |
重量/kg |
|
WHX120 |
120 |
250 |
240 |
145 |
229.5 |
136.5 |
120 |
394 |
275 |
260 |
215 |
220 |
M16 |
35 |
55 |
10 |
16 |
38.5 |
61.2 |
60 |
82 |
89~94 |
|
WHX125 |
125 |
235 |
235 |
145 |
225 |
134 |
125 |
400 |
270 |
230 |
210 |
230 |
M16 |
35 |
55 |
10 |
16 |
37.8 |
58.5 |
58 |
82 |
83~103 |
|
WHX150 |
150 |
300 |
280 |
165 |
270.5 |
153.5 |
150 |
483.5 |
320 |
300 |
250 |
250 |
M20 |
40 |
60 |
12 |
18 |
43.5 |
66.8 |
70 |
102 |
136~150 |
|
WHX160 |
160 |
290 |
290 |
165 |
265 |
189 |
160 |
505 |
330 |
270 |
250 |
260 |
M20 |
40 |
65 |
12 |
18 |
42.8 |
68.9 |
82 |
105 |
140~157 |
|
WHX180 |
180 |
375 |
295 |
180 |
324 |
169 |
180 |
574 |
385 |
335 |
305 |
285 |
M20 |
45 |
70 |
14 |
20 |
49 |
77.2 |
70 |
102 |
210~230 |
|
WHX200 |
200 |
360 |
345 |
195 |
365 |
266 |
200 |
628 |
430 |
320 |
330 |
310 |
M20 |
50 |
80 |
14 |
24 |
53.5 |
85 |
82 |
130 |
290~316 |
|
WHX210 |
210 |
420 |
335 |
200 |
358.5 |
194 |
200 |
654 |
440 |
385 |
350 |
325 |
M24 |
50 |
80 |
16 |
24 |
55 |
88.7 |
90 |
112 |
280~340 |
|
WHX250 |
250 |
490 |
370 |
220 |
422 |
214 |
200 |
748 |
510 |
420 |
410 |
360 |
M24 |
60 |
90 |
18 |
24 |
65.5 |
98.7 |
110 |
122 |
400~440 |
|
WHX280 |
280 |
485 |
430 |
245 |
485 |
233 |
250 |
838 |
610 |
470 |
480 |
400 |
M24 |
60 |
100 |
18 |
28 |
64.9 |
105.7 |
105 |
165 |
535~600 |
|
WHX300 |
300 |
580 |
410 |
250 |
505 |
244 |
260 |
900 |
620 |
480 |
510 |
410 |
M30 |
70 |
100 |
20 |
28 |
76 |
110 |
130 |
138 |
598~695 |
|
WHX320 |
320 |
525 |
455 |
265 |
525 |
256 |
280 |
953 |
680 |
520 |
550 |
440 |
M30 |
70 |
110 |
20 |
32 |
74.2 |
116.5 |
105 |
165 |
725~810 |
|
WHX360 |
360 |
565 |
470 |
280 |
565 |
267 |
300 |
1055 |
750 |
570 |
600 |
480 |
M30 |
80 |
120 |
24 |
32 |
87 |
131.2 |
160 |
178 |
854~944 |
|
WHX400 |
400 |
630 |
525 |
300 |
605 |
291 |
320 |
1155 |
820 |
610 |
660 |
520 |
M30 |
80 |
130 |
24 |
36 |
85 |
137.2 |
130 |
200 |
1320~1470 |
|
WHX420 |
420 |
685 |
550 |
300 |
665 |
299 |
340 |
1215 |
850 |
585 |
720 |
515 |
M30 |
90 |
130 |
24 |
36 |
97 |
142.3 |
160 |
198 |
1350~1500 |
|
WHX450 |
450 |
680 |
560 |
325 |
670 |
319 |
355 |
1295 |
910 |
670 |
730 |
570 |
M36 |
80 |
150 |
24 |
40 |
85 |
158.5 |
130 |
200 |
1670~1860 |
|
WHX500 |
500 |
730 |
625 |
355 |
725 |
343 |
400 |
1435 |
1000 |
730 |
810 |
620 |
M36 |
90 |
170 |
24 |
40 |
95 |
178.5 |
130 |
240 |
2160~2410 |
![]() |
免責聲明:以上所展示的信息由企業自行提供,內容的真實性、準確性和合法性由發布企業負責。中國減速機信息網對此不承擔任何保證責任。 |
友情提醒:為保障您的利益,建議優先選擇![]() ![]() 會員。
|