該標準包括單級、兩級和三級三個系列的NGW型漸開線直齒圓柱齒輪行星減速器。主要用于冶金、礦山等機械設備。其適用條件如下:
高速軸最高轉數不超過1500r/min。
齒輪圓周速度不超過10m/s;
工作環境溫度為-40℃到+45℃;
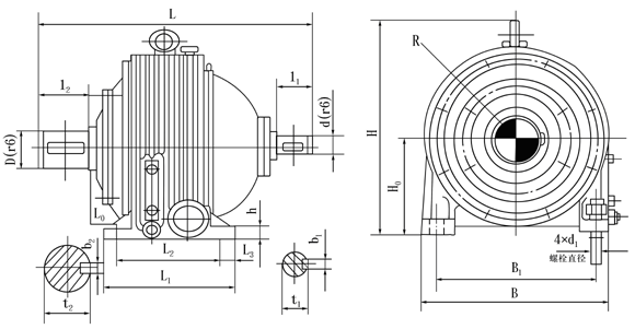
1型式與尺寸
(1)單級減速器及組成兩級和三級減速器的各級行星齒輪傳動機械示意圖如下:
(2)型號與標記減速器的型號,包括減速器的系列代號、機座號、傳動級數。
系列代號:NGW如圖所示,這種減速器的特點是內嚙合和外嚙合之間公用著行星齒輪,故取“內、公、外”三字的漢語拼意字頭組成“NGW”代表系列代號。
規格;機座號、傳動級數及傳動比代號用順序數字表示之。
(3)型式與尺寸見表Ⅱ-44、表Ⅱ-45、表Ⅱ-46。
表Ⅱ-44單級減速器型式、尺寸

表1
|
機座號 |
型號
規格 |
公稱
傳動比i0 |
外形及中心高 |
軸伸 |
地腳尺寸 |
質量
kg |
|
L |
B |
H |
H0 |
R |
d |
D |
l1 |
l2 |
t1 |
b1 |
t2 |
b2 |
L1 |
L2 |
L3 |
L0 |
B1 |
d1 |
h |
|
1 |
NGW
11 |
2.8-4.5 |
530 |
280 |
295 |
1250-0.5 |
125 |
35 |
50 |
55 |
85 |
38.5 |
10 |
55 |
16 |
215 |
165 |
25 |
105 |
220 |
M16 |
20 |
53 |
|
5-12.5 |
477 |
30 |
50 |
33 |
8 |
57 |
50 |
|
2 |
NGW
21 |
2.8-4.5 |
604 |
305 |
325 |
1400-0.5 |
140 |
40 |
60 |
70 |
105 |
43.5 |
12 |
65.5 |
18 |
245 |
185 |
30 |
115.5 |
235 |
M20 |
25 |
80 |
|
5-12.5 |
535 |
35 |
55 |
38.5 |
10 |
60.5 |
73 |
|
3 |
NGW
31 |
2.8-4.5 |
632 |
350 |
365 |
1600-0.5 |
160 |
45 |
70 |
70 |
105 |
49 |
14 |
76 |
20 |
260 |
200 |
30 |
125 |
270 |
M20 |
25 |
100 |
|
5-12.5 |
569 |
40 |
70 |
43.5 |
12 |
62 |
98 |
|
4 |
NGW
41 |
2.8-4.5 |
734 |
380 |
425.5 |
1800-0.5 |
180 |
50 |
80 |
85 |
105 |
55 |
16 |
87 |
24 |
290 |
230 |
30 |
156 |
320 |
M24 |
30 |
147 |
|
5-12.5 |
634 |
45 |
70 |
50 |
14 |
72 |
128 |
|
5 |
NGW
51 |
2.8-4.5 |
845 |
420 |
463.5 |
2000-0.5 |
200 |
55 |
90 |
85 |
115 |
60 |
16 |
97 |
24 |
310 |
250 |
30 |
196.5 |
360 |
M24 |
35 |
213 |
|
5-12.5 |
729 |
50 |
85 |
55 |
16 |
80.5 |
193 |
|
6 |
NGW
61 |
2.8-4.5 |
886 |
475 |
524 |
2250-0.5 |
225 |
60 |
100 |
105 |
125 |
65.5 |
18 |
108 |
28 |
360 |
290 |
35 |
202.5 |
405 |
M30 |
40 |
289 |
|
5-12.5 |
731 |
55 |
85 |
60 |
16 |
67.5 |
264 |
|
7 |
NGW
71 |
2.8-4.5 |
933 |
535 |
574 |
2500-0.5 |
250 |
65 |
110 |
105 |
140 |
70.5 |
18 |
119 |
32 |
375 |
305 |
35 |
213 |
465 |
M30 |
40 |
359 |
|
5-12.5 |
800 |
60 |
105 |
65.5 |
18 |
80 |
301 |
|
8 |
NGW
81 |
2.8-4.5 |
1042 |
590 |
634 |
2800-0.5 |
280 |
75 |
120 |
115 |
160 |
81 |
20 |
129 |
32 |
440 |
350 |
45 |
219 |
510 |
M36 |
45 |
449 |
|
5-12.5 |
899 |
65 |
105 |
70.5 |
18 |
86 |
399 |
|
9 |
NGW
91 |
2.8-4.5 |
1141 |
660 |
721 |
3150-0.5 |
315 |
85 |
130 |
125 |
165 |
92 |
24 |
140 |
36 |
475 |
385 |
45 |
225.5 |
570 |
M36 |
45 |
604 |
|
5-12.5 |
976 |
75 |
115 |
81 |
20 |
70.5 |
542 |
|
10 |
NGW
101 |
2.8-4.5 |
1261 |
745 |
800 |
3550-0.5 |
355 |
95 |
150 |
140 |
200 |
103 |
28 |
161 |
40 |
525 |
425 |
50 |
251 |
645 |
M42 |
50 |
810 |
|
5-12.5 |
1073 |
85 |
125 |
92 |
24 |
78 |
732 |
|
11 |
NGW
111 |
2.8-4.5 |
1355 |
840 |
891 |
4000-0.5 |
400 |
105 |
170 |
160 |
200 |
113 |
28 |
181 |
40 |
580 |
480 |
50 |
263 |
740 |
M42 |
55 |
1060 |
|
5-12.5 |
1145 |
95 |
140 |
103 |
28 |
73 |
990 |
|
12 |
NGW
121 |
2.8-4.5 |
1500 |
950 |
1013 |
4500-0.5 |
455 |
115 |
190 |
160 |
240 |
124 |
32 |
202 |
45 |
680 |
560 |
60 |
288 |
820 |
M48 |
60 |
1638 |
|
5-12.5 |
1286 |
105 |
160 |
113 |
28 |
73 |
1475 |
表Ⅱ-45兩級減速器型式、尺寸

|
機座號 |
型號
規格 |
公稱傳
動比i0 |
外形及中心高 |
軸伸 |
地腳尺寸 |
質量
/kg |
|
L |
B |
H |
H0 |
R |
d |
D |
l1 |
l2 |
t1 |
b1 |
t2 |
b2 |
L1 |
L2 |
L3 |
L0 |
B1 |
d1 |
h |
|
4 |
NGW
42 |
14-22.5 |
687 |
380 |
425.5 |
1800-0.5 |
180 |
35 |
80 |
55 |
105 |
28.5 |
10 |
87 |
24 |
290 |
230 |
30 |
72 |
320 |
M24 |
30 |
128 |
|
25-160 |
687 |
30 |
55 |
33 |
8 |
130 |
|
5 |
NGW
52 |
14-22.5 |
767 |
420 |
463.5 |
2000-0.5 |
200 |
40 |
90 |
70 |
115 |
43.5 |
12 |
97 |
24 |
310 |
250 |
30 |
80.5 |
360 |
M24 |
35 |
244 |
|
25-160 |
752 |
35 |
55 |
38.5 |
10 |
241 |
|
6 |
NGW
62 |
14-22.5 |
805.5 |
475 |
524 |
2250-0.5 |
225 |
45 |
100 |
70 |
125 |
49 |
14 |
108 |
28 |
360 |
290 |
35 |
67.5 |
405 |
M30 |
40 |
291 |
|
25-160 |
805.5 |
40 |
70 |
43.5 |
12 |
279 |
|
7 |
NGW
72 |
14-22.5 |
890 |
535 |
574 |
2500-0.5 |
250 |
50 |
110 |
85 |
140 |
55 |
16 |
119 |
32 |
375 |
305 |
35 |
80 |
465 |
M30 |
40 |
350 |
|
25-160 |
875 |
45 |
70 |
49 |
14 |
350 |
|
8 |
NGW
82 |
14-22.5 |
976.5 |
590 |
634 |
2800-0.5 |
280 |
55 |
120 |
85 |
160 |
60 |
16 |
129 |
32 |
440 |
350 |
45 |
86 |
510 |
M36 |
45 |
488 |
|
25-160 |
976.5 |
50 |
85 |
55 |
16 |
460 |
|
9 |
NGW
92 |
14-22.5 |
1040 |
660 |
721 |
3150-0.5 |
315 |
60 |
130 |
105 |
165 |
65.5 |
18 |
140 |
36 |
475 |
385 |
45 |
70.5 |
570 |
M36 |
45 |
607 |
|
25-160 |
1020 |
55 |
85 |
60 |
16 |
577 |
|
10 |
NGW
102 |
14-22.5 |
1144 |
745 |
800 |
3550-0.5 |
355 |
65 |
150 |
105 |
200 |
70.5 |
18 |
161 |
40 |
525 |
425 |
50 |
78 |
645 |
M42 |
50 |
895 |
|
25-160 |
1144 |
60 |
105 |
65.5 |
18 |
895 |
|
11 |
NGW
112 |
14-22.5 |
1222 |
840 |
891 |
4000-0.5 |
400 |
75 |
170 |
115 |
200 |
81 |
20 |
181 |
40 |
580 |
480 |
50 |
73 |
740 |
M42 |
55 |
1120 |
|
25-160 |
1212 |
65 |
105 |
70.5 |
18 |
1075 |
|
12 |
NGW
122 |
14-22.5 |
1385 |
950 |
1013 |
4500-0.5 |
455 |
85 |
190 |
125 |
240 |
92 |
24 |
202 |
45 |
680 |
560 |
60 |
73 |
820 |
M48 |
60 |
1733 |
|
25-160 |
1375 |
75 |
115 |
81 |
20 |
1539 |
表Ⅱ-46三級減速器型式、尺寸
|
機座號 |
型號
規格 |
公稱傳
動比i0 |
外形及中心高 |
軸伸 |
地腳尺寸 |
質量
/kg |
|
L |
B |
H |
H0 |
R |
d |
D |
l1 |
l2 |
t1 |
b1 |
t2 |
b2 |
L1 |
L2 |
L3, DIV> |
L0 |
B1 |
d1 |
h |
|
7 |
NGW73 |
180-2000 |
973.5 |
535 |
574 |
2500-0.5 |
250 |
30 |
110 |
55 |
140 |
33 |
8 |
119 |
32 |
375 |
305 |
35 |
80 |
465 |
M30 |
40 |
382 |
|
8 |
NGW83 |
1071 |
590 |
634 |
2800-0.5 |
280 |
35 |
120 |
55 |
160 |
38.5 |
10 |
129 |
32 |
440 |
350 |
45 |
86 |
510 |
M36 |
45 |
505 |
|
9 |
NGW93 |
1137.5 |
660 |
721 |
3150-0.5 |
315 |
40 |
130 |
70 |
165 |
43.5 |
12 |
140 |
36 |
475 |
385 |
45 |
70.5 |
570 |
M36 |
45 |
627 |
|
10 |
NGW103 |
1263 |
745 |
800 |
3550-0.5 |
355 |
45 |
150 |
70 |
200 |
49 |
14 |
161 |
40 |
525 |
425 |
50 |
78 |
645 |
M42 |
50 |
962 |
|
11 |
NGW113 |
1359.5 |
840 |
891 |
4000-0.5 |
400 |
50 |
170 |
85 |
200 |
55 |
16 |
181 |
40 |
580 |
480 |
50 |
73 |
740 |
M42 |
55 |
1163 |
|
12 |
NGW123 |
1504 |
950 |
1013 |
4500-0.5 |
455 |
55 |
190 |
85 |
240 |
60 |
16 |
202 |
45 |
680 |
560 |
60 |
73 |
820 |
M48 |
60 |
1756 |